
高频激光测距传感器、测距仪ZDS08的最大量程可高达250m,专门用于需要舜时触发或者快速采集数据的应用。该传感器测量频率高达30khz,绝对测量精度在厘米范围内,测量波长为905 nm,是在人眼安全波长范围内。ZDS08传感器外壳进行了优化,便于系统集成,并且其外壳具有IP67防水功能,适用于防震和有高冲击力的应用,例如使用在工业环境中。
画册下载
高频激光测距传感器ZDS08主要特点:
紧凑,轻量化设计;
高重复性;
长测量范围;
测量光不伤眼;
IP67防水外壳;
工业标准接口;
数字和模拟输出;
易于系统集成;
ZDS08高频激光测距传感器应用领域:
距离测量和对象检测;
接近感应警告;
2D和3D扫描应用;
工业自动化……

ZDS08高频激光测距传感器技术规格:
型号 | ZDS08 |
最大测量范围m | 0.2~250 |
典型测量范围m | |
特殊被测物(例如3000X视觉丽反光材料) | 10~250 |
被测物反射率10%1 | 0.2~30 |
测量精度(单次测量,1σ) | |
绝对精度cm | ±5 |
重复性cm | ±2 |
测量值分辨率cm | 1 |
最大测量频率 | |
二进制数据输出KHz | 30 |
十进制或二进制数据输出KHz | 15 |
激光等级 | Class 1,EN 60825-1:2007 |
波长 | 905nm |
激光发散角 | 3 mrad × 1 mrad |
串行数据接口 | RS232, RS422 |
开关输出 | 2个,高速开关,最大负载能力0.2A |
模拟输出mA | 4~20 |
供电电源VDC | 10~30 |
功耗(最大)W | 3 |
工作温度℃ | -20~+50℃ |
湿度 | 10% ... 90%,无冷凝 |
保护等级 | IP67 |
冲击/振动 | DIN ISO 9022-3 |
电磁干扰 | EN 61326-1 |
尺寸 | 86mm × 45 mm × 45 mm (L×W×H,包括接头) |
重量 | 大约125g |
*1.测量范围为自然、漫反射表面,受被测物反射率、杂散光和环境条件影响。
ZDS08高频激光测距传感器测量原理:
采用激光脉冲反射时差法原理进行测量,就是通过测量激光从发射到被测物表面,然后从被测物表面返回之间的时间来计算距离的,因此时间测量对于脉冲式激光测距仪来说是非常重要的一个环节。

ZDS08高频激光测距传感器应用领域:
距离测量和对象检测;
接近感应警告;
2D和3D扫描应用;
工业自动化……

ZDS08高频激光测距传感器应用领域:
距离测量和对象检测;
接近感应警告;
2D和3D扫描应用;
工业自动化……

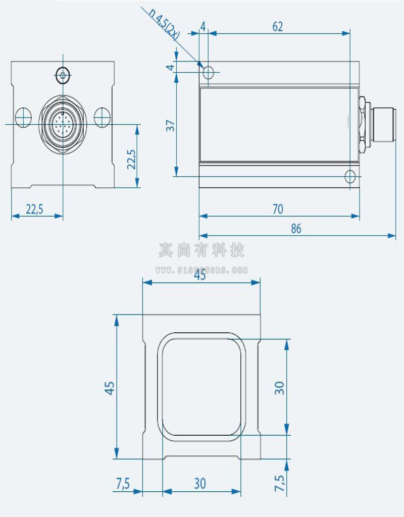
ZDS08高频激光测距传感器安装尺寸:

内径测量仪精密轮廓检测系统微观型面测量系统静态形变测量系统精密在线测厚系统振动测量系统无人警卫船光伏清洁机器人智能垃圾压实机智能机器人自稳定无人机起落平台空气质量检测仪桥梁结构健康检测系统其他检测系统
焊缝分析软件3D数据处理软件工业物联网平台电涡流软件预测分析软件AI软件计算机视觉平台数据平台解决方案服务免代码软件集成平台定制软件
测速测长_测距传感器 | 测距仪皮米级电容位移传感器线激光轮廓扫描仪 | 线扫激光传感器激光位移传感器线性位置传感器光谱共焦传感器Kaman传感器系统干涉仪测径仪 | 测微计 | 激光幕帘千分尺传感器纳米平台光栅传感器地下探测仪光纤传感器太赫兹传感器液位测量传感器倾角 | 加速度测量传感器3D扫描传感器视觉相机 | 3D相机水下测量仪磁耦合线性执行器磁场传感器雷达传感器石墨烯霍尔效应传感器卷材位置传感器振动测量传感器结构检测传感器监控电涡流传感器水听器校准器无线光学通讯传感器网关纳米级电涡流传感器其它检测设备